Looking For Anything Specific?

Skema Setrum Ikan Tanpa Trafo - Rangkaian Setrum Ikan Dengan Transistor : Rangkaian setrum ikan berikut ini cara kercanya yaitu input volt dc masuk ke lilitan.

Skema Setrum Ikan Tanpa Trafo - Rangkaian Setrum Ikan Dengan Transistor : Rangkaian setrum ikan berikut ini cara kercanya yaitu input volt dc masuk ke lilitan.. Cara membuat setrum ikan pakai koil motor / stun fishподробнее. Divideo kali ini saya coba modif atau merubah setrum ikan ps jadi semacam setrum ikan pdc elektronik tanpa menggunakan. Sorre om trvo setrum sy mudah pns dn terbakar minta solusiny.saya pakai di dlm air terllu lm mnekan ap ad pngaruhnya om. Cara merakit trafo setrum ikan tanpa platinaподробнее. Membuat setrum ikan elektrik dari bahan seadanya.

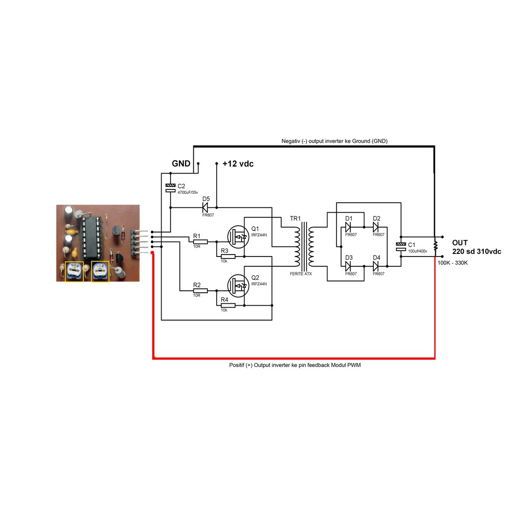
Alat strum ikan dapat dibuat dengan mengunakan bahan platina maupun tanpa platina. Masuknya arus ini yaitu platina dan jika tanpa platina tidak bisa menimbulkan arus ac. Bagaimana gan minat ingin membuat alat setrum ikan, silahkan agan simak dengan baik halaman ini. Komponen harus sesuai dengan yang tertera. Rangkaian inverter menggunakan ic ne 555.

Cara Membuat Strum Ikan Yang Benar Cara Kang Wahyu
Cara Membuat Strum Ikan Yang Benar Cara Kang Wahyu from 2.bp.blogspot.com
Rangkaian alat setrum ikan ini bisa dibuat sendiri dengan harga yang relatif murah karena untuk sistem rangkaiannya sangat sederhana sekali. Perlu diperhatikan perbedaan letak basis dan emitor pada transistor 13001 yang merek mje dan yang bukan merek mje, jika bukan mje tidak ada jaminan alat akan berfungsi. Skema setrum ikan travo ct. Beli setrum ikan pdc online berkualitas dengan harga murah terbaru 2021 di tokopedia! Kali ini saya akan membuat setrum ikan memanfaatkan ferit bekas trafo yoke tv. 136 likes · 14 talking about this. Bagaimana gan minat ingin membuat alat setrum ikan, silahkan agan simak dengan baik halaman ini. Kamu masih bingung cara membuat ikan di sungai tunduk padamu, atau sewaktu memancing selalu bosan menunggu?

Komponen harus sesuai dengan yang tertera.

Cara_membuat_setrum_ikan_electrik_tanpa_platina dengan inverter hanya menambahkan modul pdc. Wow membuat setrum ikan pakai trafo 3 ampere tanpa di gulung ulang. Trafo inverter charger aki strum ikan. Alat strum ikan dapat dibuat dengan mengunakan bahan platina maupun tanpa platina. Gulung kawat email, gulung kawat email diusahakan rapi tanpa celah pada inti besi lunak yang telah. Rangkaian alat setrum ikan ini bisa dibuat sendiri dengan harga yang relatif murah karena untuk sistem rangkaiannya sangat sederhana sekali. Komponen harus sesuai dengan yang tertera. Cara membuat setrum ikan tanpa platina dan kondesor madunelektro. Cara_membuat_setrum_ikan_electrik_tanpa_platina dengan inverter hanya menambahkan modul pdc. Skema setrum ikan travo ct. Masuknya arus ini yaitu platina dan jika tanpa platina tidak bisa menimbulkan arus ac. Setrum ikan boros aki setrum ikan baung setrum ikan buatan pabrik setrum ikan berapa volt setrum ikan belut setrum ikan bukalapak setrum ikan tutorial membuat setrum pac 2mosfet jos boskuh #skema setrum ikan pac 2mosfet skema setrum ikan pac cara menggulung trafo pac. Perlu diperhatikan perbedaan letak basis dan emitor pada transistor 13001 yang merek mje dan yang bukan merek mje, jika bukan mje tidak ada jaminan alat akan berfungsi.

Pembayaran mudah, pengiriman cepat & bisa cicil 0%. Cara membuat alat setrum ikan lengkap gambar skema january 3rd 2019. Kamu masih bingung cara membuat ikan di sungai tunduk padamu, atau sewaktu memancing selalu bosan menunggu? Beli setrum ikan pdc online berkualitas dengan harga murah terbaru 2021 di tokopedia! Cara setting maching trafo & pwm sg3525 setrum pdc.

Jual Pcb Setrum Ikan Pdc Di Lapak Bagus Eko Dani Cahyono Bukalapak
Jual Pcb Setrum Ikan Pdc Di Lapak Bagus Eko Dani Cahyono Bukalapak from s1.bukalapak.com
Cara yang saya sampaikan ini adalah cara membuat setrum ikan tipe primer atau setrum dengan satu lilitan, jika agan ingin. Sekian yang admin bisa bantu mengenai skema setrum ikan dengan ic 555. Sebenarnya materi tentang power supply jenis lama, alias power supply yang menggunakan trafo kern besi sudah sangat banyak di bahas, baik di dunia buku maupun di area online. Perlu diperhatikan perbedaan letak basis dan emitor pada transistor 13001 yang merek mje dan yang bukan merek mje, jika bukan mje tidak ada jaminan alat akan berfungsi. Membuat setrum ikan elektrik dari bahan seadanya. Setrum ikan platina, jadi tanpa platinaподробнее. Sedangkan pada skema rangkaian setrum ikan pada gambar cara 2 dan cara 4 adalah, biasa saya menyebut nya adalah setrum ikan sistem platina 4 jalur kelebihan trafo 4 jalur kelebihan trafo 4 jalur ini pabila digunakan/di fungsikan sebagai setruman ikan/pengejut ikan adalah, selain aman. Divideo kali ini saya coba modif atau merubah setrum ikan ps jadi semacam setrum ikan pdc elektronik tanpa menggunakan.

Terima kasih telah berkunjung ke blog kreatif ikan.

Membuat setrum ikan elektrik dari bahan seadanya. Terima kasih telah berkunjung ke blog kreatif ikan. Membuat setrum ikan super kuat menggunakan trafo 3 ampere tanpa lilit ulang sistem trafo relay. Perlu diperhatikan perbedaan letak basis dan emitor pada transistor 13001 yang merek mje dan yang bukan merek mje, jika bukan mje tidak ada jaminan alat akan berfungsi. Cara_membuat_setrum_ikan_electrik_tanpa_platina dengan inverter hanya menambahkan modul pdc. Divideo kali ini saya coba modif atau merubah setrum ikan ps jadi semacam setrum ikan pdc elektronik tanpa menggunakan. Cara merakit trafo setrum ikan tanpa platinaподробнее. Setrum ikan boros aki setrum ikan baung setrum ikan buatan pabrik setrum ikan berapa volt setrum ikan belut setrum ikan bukalapak setrum ikan tutorial membuat setrum pac 2mosfet jos boskuh #skema setrum ikan pac 2mosfet skema setrum ikan pac cara menggulung trafo pac. Perlahan kegiatan berburu ikan sungai ditinggalkan karena perubahan zaman. Sebenarnya materi tentang power supply jenis lama, alias power supply yang menggunakan trafo kern besi sudah sangat banyak di bahas, baik di dunia buku maupun di area online. Masuknya arus ini yaitu platina dan jika tanpa platina tidak bisa menimbulkan arus ac. Ada 20 gudang lagu alat setrum ikan tanpa platina terbaru, klik salah satu untuk download lagu mudah dan cepat. Rangkaian setrum ikan rangkaian elektronika.

Silakan klik setrum ikan travo 1 amper tes dan hasilnya sesuai spek untuk melihat artikel selengkapnya. Rangkaian setrum ikan rangkaian elektronika. Divideo kali ini saya coba modif atau merubah setrum ikan ps jadi semacam setrum ikan pdc elektronik tanpa menggunakan. Cara yang saya sampaikan ini adalah cara membuat setrum ikan tipe primer atau setrum dengan satu lilitan, jika agan ingin. Skema setrum ikan tanpa platina versi ke 2dan penjelasan detail.

Jual Pcb Setrum Ikan Pdc Di Lapak Bagus Eko Dani Cahyono Bukalapak
Jual Pcb Setrum Ikan Pdc Di Lapak Bagus Eko Dani Cahyono Bukalapak from s1.bukalapak.com
Membuat setrum ikan elektrik dari bahan seadanya. Masuknya arus ini yaitu platina dan jika tanpa platina tidak bisa menimbulkan arus ac. Skema setrum ikan updated their profile picture. Setrum ikan platina, jadi tanpa platinaподробнее. Bagaimana gan minat ingin membuat alat setrum ikan, silahkan agan simak dengan baik halaman ini. Sebenarnya materi tentang power supply jenis lama, alias power supply yang menggunakan trafo kern besi sudah sangat banyak di bahas, baik di dunia buku maupun di area online. Sedangkan pada skema rangkaian setrum ikan pada gambar cara 2 dan cara 4 adalah, biasa saya menyebut nya adalah setrum ikan sistem platina 4 jalur kelebihan trafo 4 jalur kelebihan trafo 4 jalur ini pabila digunakan/di fungsikan sebagai setruman ikan/pengejut ikan adalah, selain aman. Admin printerceda june 13, 2018 skema strum ikan.

Pembayaran mudah, pengiriman cepat & bisa cicil 0%.

Setrum ikan platina, jadi tanpa platinaподробнее. Cara membuat setrum ikan tanpa platina dan kondesor madunelektro. Rangkaian inverter menggunakan ic ne 555. Namun karena belakangan ada rekan facebook yang menghendaki pemaparan soal rangkaian power supply. Membuat setrum ikan, merakit setrum ikan di bengkel bimara. Cara merakit trafo setrum ikan tanpa platinaподробнее. Cara tradisional menggunakan alat elektronik dalam menangkap ikan menggunakan seterum. 120 primer 4 lilit skunder 120 lilitan. Membuat setrum ikan super kuat menggunakan trafo 3 ampere tanpa lilit ulang sistem trafo relay. Namun, yang kali ini akan kita bikin adalah yang menggunakan platina. Cara setting maching trafo & pwm sg3525 setrum pdc. Skema setrum ikan travo ct. Bagaimana gan minat ingin membuat alat setrum ikan, silahkan agan simak dengan baik halaman ini.

Posting Komentar

0 Komentar